1. Vamos a dibujar esta pieza en primer lugar
A continuación se muestra la pieza con sus vistas y cotas:

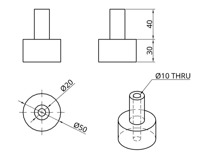
A continuación se muestra la pieza con sus vistas y cotas:

Abra su cuenta en Onshape , en el botón << Crear >>, cree un nuevo documento con el nombre Part01 .
Cree un nuevo boceto, Sketch , en el botón << Sketch >>.
Seleccionamos el plano donde vamos a trabajar, en este caso Top. Haga clic con el botón derecho en el plano de croquis 1 y seleccione << Ver normal al plano de croquis >>.
¡Estamos listos para empezar a dibujar!
Crea un círculo en cualquier lugar. Recuerde que para dejar de dibujar con la herramienta seleccionada, se debe presionar la tecla ESCAPE.
Centremos la pieza con el eje de coordenadas. Para hacer esto, seleccione el botón << Coincidente >>
y haga clic en el centro de su círculo y haga clic en el centro del eje de coordenadas. Verás que el círculo se mueve hacia el centro del plano.
Ahora necesitamos escalarlo o establecer sus dimensiones: haga clic en << Dimensión >>
, luego seleccione la circunferencia. Dale un diámetro de 50 mm .
Haga clic en el botón << Extruir >>. ![]()
Para ver mejor la extrusión, seleccionamos la perspectiva trimétrica , hacemos clic en el cubo
del lado derecho de la pantalla y seleccionamos Trimétrica .
A continuación aparece una flecha hacia arriba. Si haces clic en él, cambia hacia abajo, y si haces clic en Ciego , aparecen otras opciones, la primera es Simétrica , hace que la extrusión sea simétrica en ambas direcciones.
Seleccione ciega y la flecha hacia arriba . Dale una profundidad de 30 mm ( profundidad = 30 mm ).
Haga clic en << Bosquejo >> y seleccione la cara superior de su parte 3D, aparece en la columna izquierda debajo de Extrusión 1 , el nuevo Bosquejo 2.
Dibuja un círculo concéntrico con el anterior y de 20 mm de diámetro (sigue los pasos anteriores).
Haga clic en el botón extruir, << Extruir >> y asígnele una altura de 40 mm (Profundidad = 40 mm).

Obra publicada con Licencia Creative Commons Reconocimiento No comercial Compartir igual 4.0